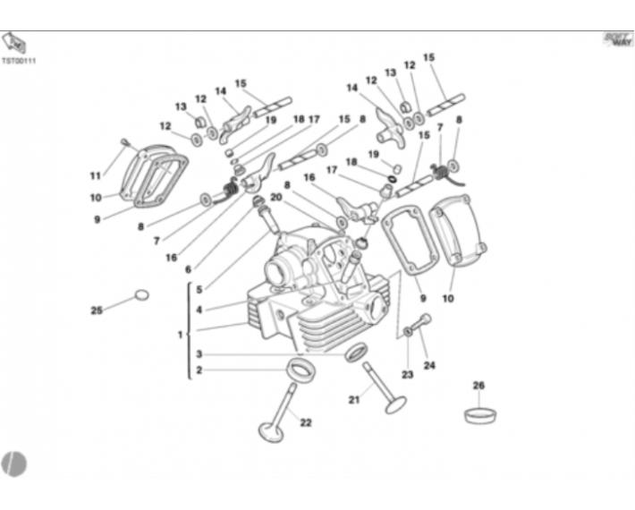
DUCATI SUPERSPORT (17) 072792180 SCODELLINO RITORNO 8.05 MM

€ 27,47
Ricambio originale Ducati